巨控电气有限公司

户内绝缘子,传感器

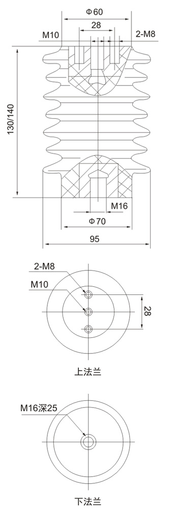
CG5-10Q/95×130(130.140.145.150)户内高压带电显示装置传感器

CG5-10Q/95×130(130.140.145.150)户内高压带电显示装置传感器

CG5-10Q/95×130(130.140.145.150)户内高压带电显示装置传感器

品牌:巨控电气
类别:户内绝缘子,传感器

立即咨询立即咨询
热线电话 400-600-2722
CG5-10Q高压传感器通过抽压电容芯棒,从高压带电回路中抽取一定的电压作为显示和闭锁的电源,用于反映装置设置处的带电状态,并能强制闭锁开关网门。电压指示和强制闭锁的工作,均受同一高压信号所控制,但电路系统又是相互独立的.只要高压回路带电,那么即使显示电路和闭锁电路同时出了故障,电磁锁仍处于闭锁状态。因此产品的防误闭锁可靠性大,安全度高。传感器全部按全工况要求设计,爬电距离满足技术要求.显示器外观新颖,电子元件全部进行筛选,组装精致。传感器为环氧树脂浇注支柱绝缘子式产品。可做为隔离开关,接地开关和其它支柱绝缘子使用,具有高强度,耐电弧能力强,局部放电量小等特点。

联系电话

400-600-2722

地址:浙江温州柳市镇苏吕工业区A1幢

传真:0577-62892935

网址:Http://www.jukong.net

COPYRIGHT © 2019 巨控电气有限公司VS1 ZW32 ZW20 FZN25 KYN28 HXGN15 ALL RIGHTS RESERVED 版权所有 浙ICP备12005340号-1 houtai